ROM-7720 user guide
Contents
- 1產品介紹(Product introduction ) 1.1產品特性(Product Features) 1.2產品官網連結(Product official website link)
- 2硬件接口說明(Hardware interface introduction) 2.1接口布局和尺寸(Layout and Sizes) 2.2ROM-7720 接口布局圖 Board Dimension Layout 2.3ROM-DB7503 接口布局圖 Board Dimension Layout 2.4主板内置插针式引脚排序方式 (Pin Header defination) 2.5Internal I/O 2.6Rear I/O 2.7接口引脚定義 (Pin definitions) 2.8机械尺寸 (Mechanical Characteristics)
- 3快速入门 (Quick Start) 3.1系统下载 (OS Download) 3.2Linux 燒錄方法 (Linux Flash eMMC Method)
- 4Linux系统的基本使用(Linux System Basic Operating Method) 4.1UUU 使用方法(USB Connection (OTG port)) 4.2Display Setting (ROM-7720) 4.3乙太網路使用方法(Ethernent Testing Method) 4.4WiFi使用方法(WIFI Testing Method) 4.54G使用方法(4G Testing Method) 4.6GPIO使用方法(GPIO Operating Method) 4.7串口使用方法(Serial Port Operating Method) 4.8蓝牙使用方法(BlueTooth Operating Method) 4.9Audio Test: 4.10Audio - SGTL5000 4.11通用方法(General Method) 4.12查看CPU温度(Check CPU Temperature) 4.13查看CPU频率(Check CPU Frequency) 4.14查看内存容量(Check Memory Capacity) 4.15查看存储容量(Check Storage Capacity) 4.16網路Ping測試(Ping Network Testing) 4.17設置RTC (RTC Setting)
- 5Linux BSP編譯方法(Linux BSP Compile Method) 5.1Yocto 3.0 5.2Yocto2.5
產品介紹(Product introduction )
產品特性(Product Features)
- NXP i.MX8 QuadMax 8-Core Processor with 2 Cortex-A72, 4 Cortex-A53 and 2 Cortex-M4F
- Multi OS support in Ubuntu/Debian/Yocto Linux and Android
- 64-bit LPDDR4 4GB
- 4K h.265 decoder, HD h.264 encoder
- Onboard eMMC Flash 16GB, boot selection from SPI/MMC/SD or SATA
- 3 USB 3.0 with OTG, Dual lane MIPI Camera
- Yocto, Android, QNX OS support
產品官網連結(Product official website link)
硬件接口說明(Hardware interface introduction)
接口布局和尺寸(Layout and Sizes)
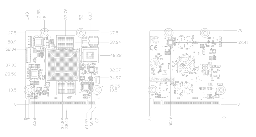
ROM-7720 接口布局圖 Board Dimension Layout

ROM-DB7503 接口布局圖 Board Dimension Layout

主板内置插针式引脚排序方式 (Pin Header defination)
Internal I/O
| Position | Description | Connector Type |
|---|---|---|
| BAT1 | PIN Header for Battery | WAFER 8P 2.54mm 180D(M) DIP A2543WV2-8P |
| BH1 | RTC Battery Holder | BATTERY HOLDER 24.923.48.9 CR2032 BH800.4GG |
| CAN1 | CANBus Port 1 | BOX HEADER 5x2P 2.54mm 180D(M) DIP 23N6960-10S10 |
| CAN2 | CANBus Port 2 | BOX HEADER 5x2P 2.54mm 180D(M) DIP 23N6960-10S10 |
| COM1 | COM Port 1 | BOX HEADER 5x2P 2.54mm 180D(M) DIP 23N6960-10S10 |
| COM3 | COM Port 3 (Debug Port) | BOX HEADER 5x2P 2.54mm 180D(M) DIP 23N6960-10S10 |
| CN4 | PCIex1 Connector 1 | PCIEXPRESS 36P 180D(F) DIP 2EG01817-D2D-DF |
| CN5 | PCIex1 Connector 2 | PCIEXPRESS 36P 180D(F) DIP 2EG01817-D2D-DF |
| CN6 | PCIex1 Connector 3 | PCIEXPRESS 36P 180D(F) DIP 2EG01817-D2D-DF |
| CN11 | SATA Connector | Serial ATA 7P 1.27mm 180D(M) DIP WATM-07DBN4A3B8 |
| CN12 | SATA Power Connector | WAFER 4P 2.5mm 180D(M) DIP 24W1161-04S10-01T |
| CN22 | GPIOx8 sets | PIN HEADER 10x2P 2.0mm 180D(M) DIP 21N22050 |
| CN25 | MXM 3.0 Connector | MXM Conn. 314P 90D(F) SMD AS0B821-S78B-7H |
| CN26 | M.2 Key E Slots | NGFF 75P 0.5mm 90D(F) H=4.2mm SMD AS0BC21-S40BE |
| CN38 | FAN (Reserved) | WTB Con. 3P 2.54mm 180D(M) DIP A2543WV0-3P-6T-5e |
| CN39 | MIPI-CSI1 (FPC, 4-Lane | FPC 39P, 0.6mm, H0.9mm |
| CN40 | MIPI-CSI0 (FPC, 2-Lane) | FPC 39P, 0.6mm, H0.9mm |
| CN41 | MIPI-CSI0 (Mini-SAS, 2-Lane) | Mini SAS 36P/0.8mm/(M)/LCP/VA/G15u/ S/BK/W |
| CN42 | MIPI-CSI1 (Mini-SAS, 4-Lane) | Mini SAS 36P/0.8mm/(M)/LCP/VA/G15u/ S/BK/W |
| ESPI_CN1 | ESPI | PIN HEADER 6x2P 2.0mm180D(M) SMD 21N22050-12M00B |
| I2C_GP_1 | I2C Pin Header | WAFER BOX 4P 2.00mm 180D(M) DIP 721-81-04TW00 |
| I2C_CN3 | Audio Codec Board | PIN HEADER 2x10P 2.54mm 180D(M) DIP 21N22564 |
| LVDS0 | LVDS0 | Wafer 2x20P/1.25mm/(M)/NY9T/VA/GFL/ S/WH/W |
| LVDS_BK_PWR | LVDS0 Back Light | WAFER BOX 5P 2.0mm 180D(M) DIP A2001WV2-5P |
| LVDS1 | LVDS1 | Wafer 2x20P/1.25mm/(M)/NY9T/VA/GFL/ S/WH/W |
| LVDS1_BK_PWR | LVDS1 Back Light | WAFER BOX 5P 2.0mm 180D(M) DIP A2001WV2-5P |
| SD1 | SD Card Slot | SD CARD 9P 90D(F) SMD WK2192CS3D- 7H |
| SPI_CN1 | SPI Pin Header | PIN HEADER 4x2P 2.54mm 180D(M) SMD 21N22564 |
| SW2 | Reset Button | TACT SW STS-091 SMD 4P H=3.8mm |
| SW4 | SLP Button | TACT SW STS-091 SMD 4P H=3.8mm |
| SW5 | Power Button | TACT SW STS-091 SMD 4P H=3.8mm |
| USB0_OTG1 | USB OTG | Micro USB 5P/0.65mm/(F)/NY9T/GFL/ RA/S/BK/B |
| USB-4-5 | USB Port 4, Port 5 | PIN HEADER 2x5P 2.0mm 180D(M) SMD 21N22050 |
Rear I/O
| Position | Description | Name |
|---|---|---|
| DCIN | DC Jack | A |
| CN15A | UART Port 0 | B |
| CN15B | UART Port 2 | C |
| CN1A | DP Port | D |
| CN1B | HDMI Port | E |
| CN33 | Type C Controller Programming Header (Reserved Only) | F |
| CN34 | USB Type C | G |
| CN8 | GbE Ethernet Connector Port | H |
| CN3 | USB Port 1/ 2 | I |
| Audio1 | MIC Input/ Audio Output | J |
接口引脚定義 (Pin definitions)
- 電池(BAT1) & 電池扣(BH1)
- CAN(CAN1,CAN2)
- 串口(COM_DB(COM3)、COM1、UART0 、UART2)
- 显示接口(LVDS、LVDS Backlight、HDMI、DP)
- LAN接口(LAN)
- USB接口(USB1-2、USB-4-5、USB Type C、USB OTG)
- 音频接口(Audio Output &Audio Codec)
- 电源及指示灯和开关机复位按钮(Power 、LED、Power Button、Reset Button、Sleep Button)
- GPIO接口
- MINI_PCIE接口_M.2接口_SPI、I2C_接口
机械尺寸 ( Mechanical Characteristics)
ROM-7720

快速入门 (Quick Start)
系统下载 (OS Download)
- Linux系统 (Linux OS)
Linux 燒錄方法 (Linux Flash eMMC Method)
使用Flash tool 燒錄鏡像到eMMC (Flash image into eMMC by Flash Tools)
Step0: 檢查SD卡在Linux 環境的代號 (check SD card symbol in Linux system)
Step1: 創造一張可開機的SD 卡 (Create a bootable SD card)

Step2: 將可開機的SD 卡插入底板SD卡卡槽(Plug the SD card into Carrier board 's SD card slot)
Step 3: 確認開機選擇指撥開關
SD 卡開機模式(Boot swtich for SD card ):
2-3-4 is "ON" for SD
eMMC 開機模式(Boot switch for eMMC ) :
4 is "ON" for eMMC
Step 4:打開電源 和 終端機 (Turn on the Power & Terminal)



Step 5: Flash iamge tools 檔案( Flash image tool )
-
插入U盤到你的Ubuntu 電腦上 (Plug the USB Disk into your device )
-
檢視U盤在Ubuntu 系統代號 (Check the USB Disk's symbol in Ubuntu System)
-
掛載U盤在Ubuntu 系統中
4. 複製檔案到U盤中 (Copy the flash file to system)
5. 解壓縮(Unzip the file )


- Execute the flash image tool


- 移除 SD Card ( Unplug the SD card )
10 測試 eMMC 開機
Note : eMMC 開機模式(Boot switch for eMMC ) :
4 is "ON" for eMMC

Linux系统的基本使用(Linux System Basic Operating Method)
UUU 使用方法(USB Connection (OTG port))
Display Setting (ROM-7720)
U-boot Command :
setenv fdt_file xxxx.dtb
env save
boot
- Display HDMI adv-imx8qm-rom7720-a1.dtb LVDS g070vw01 adv-imx8qm-rom7720-a1_lvds0.dtb adv-imx8qm-rom7720-a1_lvds1.dtb g215hvn01 adv-imx8qm-rom7720-a1_lvds_dual.dtb HDMI + LVDS HDMI + g070vw01 adv-imx8qm-rom7720-a1_hdmi_lvds0.dtb adv-imx8qm-rom7720-a1_hdmi_lvds1.dtb HDMI + g215hvn01 adv-imx8qm-rom7720-a1_hdmi_lvds_dual.dtb LVDS to HDMI adv-imx8qm-rom7720-a1-it6263.dtb
- Audio Codec adv-imx8qm-rom7720-a1-sgtl5000.dtb
乙太網路使用方法(Ethernent Testing Method)
Command : ifconfig

Command: Ping - I eth1 8.8.8.8 or Ping - I eth0 8.8.8.8

WiFi使用方法(WIFI Testing Method)
Command :
# killall wpa_supplicant
# ifconfig wlan0 up
# wpa_passphrase "SSID" "PASSWORD" > /tmp/wpa.conf
# wpa_supplicant -BDwext -iwlan0 -c/tmp/wpa.conf
# udhcpc -b -i wlan0'''
ping 8.8.8.8
PING 8.8.8.8 (8.8.8.8) 56(84) bytes of data.
64 bytes from 8.8.8.8: icmp_seq=1 ttl=54 time=2.10 ms
64 bytes from 8.8.8.8: icmp_seq=2 ttl=54 time=2.10 ms
4G使用方法(4G Testing Method)
Command:
Test 4G: (EWM-C117FL06E - USB)
Step 1: Connect EWM-C117FL06E to Mini PCIE slot on 9680015491 and connect
the card to CN6 PCIe_D slot on ROM-DB5901.
Step 2: Connect the antenna 1750007990-01 to the SMA (F) connector on
9680015491
and connect the IPEX connector to MT1 on EWM-C117FL06E module.
Step 3: Connect the Mini USB cable from 9680015491 to USB 2.0 Type A port on
ROM-DB5901.
Step 4: Power on and execute the pppd command to connect to the network.

GPIO使用方法(GPIO Operating Method)
| GPIO | command |
|---|---|
| 1/2 | 488/489 |
| 3/4 | 353/354 |
| 5/6 | 298/299 |
| 7/8 | 300/301 |
GPIO
$ function test_gpio_pair() {
cd /sys/class/gpio
local GO=$1 GI=$2
echo gpio$GO output to gpio$GI
echo $GI > export; echo $GO > export
echo out > gpio$GO/direction; echo in > gpio$GI/direction
echo 1 > gpio$GO/value; echo "$GO:$(<gpio$GO/value) ==> $GI:$(<gpio$GI/value)"
echo 0 > gpio$GO/value; echo "$GO:$(<gpio$GO/value) ==> $GI:$(<gpio$GI/value)"
echo $GI > unexport; echo $GO > unexport
cd - > /dev/null
}
上表的GPIO18 對應到下圖的 GPIO07,注意: 並非插槽針腳的編號

| ROM-DB7503-SCA1E w/ ROM-7720 | i.MX8 | pinmux | IMX_GPIO_NR(bank, pin) (480 - (bank * 32) + (pin & 0x1f)) |
|---|---|---|---|
| GPIO0 | M40_GPIO0_00 | IMX8QM_M40_GPIO0_00_LSIO_GPIO0_IO08 | 488 |
| GPIO1 | M40_GPIO0_01 | IMX8QM_M40_GPIO0_01_LSIO_GPIO0_IO09 | 489 |
| GPIO2 | FLEXCAN2_RX | IMX8QM_FLEXCAN2_RX_LSIO_GPIO4_IO01 | 353 |
| GPIO3 | FLEXCAN2_TX | IMX8QM_FLEXCAN2_TX_LSIO_GPIO4_IO02 | 354 |
| GPIO4 | ENET1_RGMII_TXC | IMX8QM_ENET1_RGMII_TXC_LSIO_GPIO6_IO10 | 298 |
| GPIO5 | ENET1_RGMII_TX_CTL | IMX8QM_ENET1_RGMII_TX_CTL_LSIO_GPIO6_IO11 | 299 |
| GPIO6 | ENET1_RGMII_TXD0 | IMX8QM_ENET1_RGMII_TXD0_LSIO_GPIO6_IO12 | 300 |
| GPIO7 | ENET1_RGMII_TXD1 | IMX8QM_ENET1_RGMII_TXD1_LSIO_GPIO6_IO13 | 301 |
GPIOCHIP info(Yocto3.0):

串口使用方法(Serial Port Operating Method)
RS-232 Test

蓝牙使用方法(BlueTooth Operating Method)
Command :
$ hciconfig hci0 up
$ bluetoothctl
$ discoverable on
$ pairable on
$ scan on
[NEW] FC:18:3C:8D:75:F4 myphone
$ scan off
$ pair FC:18:3C:8D:75:F4
$ connect FC:18:3C:8D:75:F4

Audio Test:
Audio - SGTL5000

Get sgtl5000 device
$ HW=$(aplay -l | grep "^card.sgtl5000" | sed "s/^card //;s/:.//"); echo HW=$HW
Use amixer ,and set sgtl5000 headphone / PCM volume
$ amixer -c $HW sset 'Headphone' 90%
$ amixer -c $HW sset 'PCM' 90%
Voice Testing:
$ VA=~/video_audio.mp4 # video file
$ gst-launch-1.0 filesrc location=$VA ! decodebin ! audioconvert ! audioresample ! alsasink device=hw:$HW
通用方法(General Method)
查看CPU温度(Check CPU Temperature)
root@imx8qmrom7720a1:/# cat /sys/devices/virtual/thermal/thermal_zone0/temp
65400
root@imx8qmrom7720a1:/#
# 或者直接以度爲單位顯示 echo $[$(cat /sys/class/thermal/thermal_zone0/temp)/1000]° >>> 45°
查看CPU频率(Check CPU Frequency)
cat /sys/devices/system/cpu/cpu0/cpufreq/cpuinfo_cur_freq
>> 900000
cat /sys/devices/system/cpu/cpu0/cpufreq/cpuinfo_max_freq
>> 1200000
查看内存容量(Check Memory Capacity)
root@imx8qmrom7720a1:/# busybox free -m
total used free shared buffers cached
Mem: 1792540 563488 1229052 17504 18460 139496
-/+ buffers/cache: 405532 1387008
Swap: 0 0 0
root@imx8qmrom7720a1:/#
查看存储容量(Check Storage Capacity)
root@imx8qmrom7720a1:/# busybox df -h
Filesystem Size Used Available Use% Mounted on
/dev/root 12.8G 2.3G 9.9G 19% /
devtmpfs 394.6M 4.0K 394.6M 0% /dev
tmpfs 875.3M 0 875.3M 0% /dev/shm
tmpfs 875.3M 16.5M 858.8M 2% /run
tmpfs 875.3M 0 875.3M 0% /sys/fs/cgroup
tmpfs 875.3M 4.0K 875.3M 0% /tmp
tmpfs 875.3M 500.0K 874.8M 0% /var/volatile
/dev/mmcblk0p5 7.7M 45.0K 7.3M 1% /run/media/mmcblk0p5
/dev/mmcblk0p1 127.7M 23.9M 103.8M 19% /run/media/mmcblk0p1
/dev/sda1 58.1G 9.5G 48.6G 16% /run/media/sda1
/dev/mmcblk0p6 739.9M 776.0K 685.4M 0% /cache
tmpfs 175.1M 88.0K 175.0M 0% /run/user/0
root@imx8qmrom7720a1:/#
網路Ping測試(Ping Network Testing)
ping 8.8.8.8
PING 8.8.8.8 (8.8.8.8) 56(84) bytes of data.
64 bytes from 8.8.8.8: icmp_seq=1 ttl=54 time=2.10 ms
64 bytes from 8.8.8.8: icmp_seq=2 ttl=54 time=2.10 ms
設置RTC (RTC Setting)
root@imx8qmrom7720a1:/# systemctl stop ntpdate.service
root@imx8qmrom7720a1:/# date 031516072023 && hwclock -w && date
Wed Mar 15 16:07:00 UTC 2023
Wed Mar 15 03:46:31 UTC 2023
root@imx8qmrom7720a1:/# date
Wed Mar 15 03:46:39 UTC 2023
root@imx8qmrom7720a1:/#
Linux BSP編譯方法(Linux BSP Compile Method)
Yocto 3.0
Yocto2.5
