RSB-4810_Debian_User_Guide
产品介绍(product presentation)
产品特性(product feature)
- Rockchip RK3568 Arm Quad Cortex-A55, up to 2.0GHz
- Built-in NPU with processing performance of up to 0.8 TOPS
- Onboard 2/4GB LPDDR4 memory and 16/32GB eMMC
- Supports 1 x HDMI 2.0 4K, 1 x LVDS/MIPI-DSI, and 1 x eDP
- Supports 4K H.264/H.265 video decoder
- Provides 2 x GbE, 1 x SATA 3.0, 6 x UART, 2 x USB 3.0, 2 x USB 2.0, 1 x USB OTG, and 2 x CAN FD
- Provides a M.2 E Key with PCIE 3.0/USB 2.0/SDIO/UART signal for Wi-Fi 5/6 Modules, and a MINI-PCIE with PCIE 3.0/USB 2.0 signal for LTE/5G Modules
- Supports Linux and Android OS
产品官网链接(Product official website link)
RSB-4810 - Rockchip Arm Cortex-A55 RK3568 3.5" SBC - Advantech
硬件接口说明
接口布局圖 Board Layout

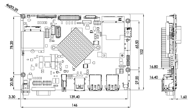
接口尺寸 Board Dimension

接口引脚定義 (Pin definitions)
| Jumper List | |
| [J1](./RSB-4810_Debian_User_Guide_wiki_data/J1_RSB-4810 "J1 RSB-4810".md) | MASKROM mode select Short pin 12 and power on the RSB-4810 to enter MASKROM mode. Change back to pin 23 before click "Run" to flash image |
| [J2](./RSB-4810_Debian_User_Guide_wiki_data/J2_RSB-4810 "J2 RSB-4810".md) | CAN impedance matching |
| [J3](./RSB-4810_Debian_User_Guide_wiki_data/J3_RSB-4810 "J3 RSB-4810".md) | CAN impedance matching |
| [J4](./RSB-4810_Debian_User_Guide_wiki_data/J4_RSB-4810 "J4 RSB-4810".md) | OTG Mode selection, default USB3.0 host |
| [SW1](./RSB-4810_Debian_User_Guide_wiki_data/SW1_RSB-4810 "SW1 RSB-4810".md) | AT & ATX Mode Switch, default AT mode |
| [BLP1](./RSB-4810_Debian_User_Guide_wiki_data/BLP1_RSB-4810 "BLP1 RSB-4810".md) | LVDS BKL PWR 3.3V&5V level select, default 5V |
| [BLP2](./RSB-4810_Debian_User_Guide_wiki_data/BLP2_RSB-4810 "BLP2 RSB-4810".md) | LVDS BKL PWR 12V select |
| [VDD1](./RSB-4810_Debian_User_Guide_wiki_data/VDD1_RSB-4810 "VDD1 RSB-4810".md) | EDP VDD 3.3V &5V level select, default 3.3V |
| [VDD2](./RSB-4810_Debian_User_Guide_wiki_data/VDD2_RSB-4810 "VDD2 RSB-4810".md) | LVDS VDD 3.3V & 5V level select, default 3.3V |
| [J5](./RSB-4810_Debian_User_Guide_wiki_data/J5_RSB-4810 "J5 RSB-4810".md) | COM5,COM6 power 12/5V level select, default 5V |
List
| [AUDIO](./RSB-4810_Debian_User_Guide_wiki_data/AUDIO-4810 "AUDIO-4810".md) | Audio pin header (Headphone, Mic in, Speaker) |
| [EDP](./RSB-4810_Debian_User_Guide_wiki_data/EDP-4810 "EDP-4810".md) | eDP CONN |
| [LVDS](./RSB-4810_Debian_User_Guide_wiki_data/LVDS-4810 "LVDS-4810".md) | LVDS CONN |
| [BL](./RSB-4810_Debian_User_Guide_wiki_data/BL-4810 "BL-4810".md) | LVDS Back light Control |
| [SATA](./RSB-4810_Debian_User_Guide_wiki_data/SATA-4810 "SATA-4810".md) | SATA3.0 |
| [MINIPCIE](./RSB-4810_Debian_User_Guide_wiki_data/MINIPCIE-4810 "MINIPCIE-4810".md) | MINI PCIe 52P |
| [SIM](./RSB-4810_Debian_User_Guide_wiki_data/SIM-4810 "SIM-4810".md) | Nano SIM card |
| [M2](./RSB-4810_Debian_User_Guide_wiki_data/M2-4810 "M2-4810".md) | M.2 E-Key CONN |
| [SD](./RSB-4810_Debian_User_Guide_wiki_data/SD-4810 "SD-4810".md) | Micro SD slot |
| [PWRBTN](./RSB-4810_Debian_User_Guide_wiki_data/PWRBTN-4810 "PWRBTN-4810".md) | Power button and LED |
| [DCIN1](./RSB-4810_Debian_User_Guide_wiki_data/DCIN1-4810 "DCIN1-4810".md) | 12V DC jack |
| [COM1](./RSB-4810_Debian_User_Guide_wiki_data/COM1-4810 "COM1-4810".md) | RS-232 pin header |
| [COM2](./RSB-4810_Debian_User_Guide_wiki_data/COM2-4810 "COM2-4810".md) | RS-232 DB9 |
| [HDMI](./RSB-4810_Debian_User_Guide_wiki_data/HDMI-4810 "HDMI-4810".md) | HDMI CONN |
| [CAN1/2](./RSB-4810_Debian_User_Guide_wiki_data/CAN1/2-4810 "CAN1/2-4810".md) | CAN FD CONN |
| [USB1/2](./RSB-4810_Debian_User_Guide_wiki_data/USB1/2-4810 "USB1/2-4810".md) | USB pin header |
| [USB3/4](./RSB-4810_Debian_User_Guide_wiki_data/USB3/4-4810 "USB3/4-4810".md) | USB Type A ((2 x USB3.0, the lower Type A connector can be configured to OTG by jumper setting)) |
| [SATAP](./RSB-4810_Debian_User_Guide_wiki_data/SATAP-4810 "SATAP-4810".md) | SATA Power |
| [LAN1](./RSB-4810_Debian_User_Guide_wiki_data/LAN1-4810 "LAN1-4810".md) | LAN1 |
| [LAN2](./RSB-4810_Debian_User_Guide_wiki_data/LAN2-4810 "LAN2-4810".md) | LAN2 |
| [BAT](./RSB-4810_Debian_User_Guide_wiki_data/BAT-4810 "BAT-4810".md) | RTC CONN |
| [COM3/4](./RSB-4810_Debian_User_Guide_wiki_data/COM3/4-4810 "COM3/4-4810".md) | COM3 and COM4 with RS-232 or RS-485 |
| [COM5/6](./RSB-4810_Debian_User_Guide_wiki_data/COM5/6-4810 "COM5/6-4810".md) | COM5 and COM6 with RS-232 |
| [RST](./RSB-4810_Debian_User_Guide_wiki_data/RST-4810 "RST-4810".md) | Reset button |
| [CN1](./RSB-4810_Debian_User_Guide_wiki_data/CN1-4810 "CN1-4810".md) | GPIO CONN |
| [I2C1](./RSB-4810_Debian_User_Guide_wiki_data/I2C1-4810 "I2C1-4810".md) | I2C pin header |
| [Debug port](./RSB-4810_Debian_User_Guide_wiki_data/RSB-4810_Debug_Port.png "RSB-4810 Debug Port.png".md) | Debug connector |
快速入门 (Quick Start)
系统下载 (OS Download)
Note: LIV=Yocto Linux, UIV=Ubuntu, DIV=Debian, AIV=Android
LBV=BSP, LIV=Image
| Platform | Product | Image Version | Release Date | Release Version | Release notes | Image Download | BSP Download Tag | SDK | Comment | CAN2.0 Patch |
| RK3568 | RSB-4810 | DIV130311 | 2024/03/15 | Beta | Release note | Baidu Password:a887 Dropbox | RK3568_RISC_DIV130311.xml | Baidu Password:a887 Dropbox | Test Report **CAN2.0 Errata**提取码:a887 | Baidu Password:a887 |
-
Alpha: Basic I/O function bring up by RD;
-
Beta: Basic I/O function、performance and middleware verified by RD. Peripherals integrated;
-
GA: Beta version by QE verification;
-
RTM: Beta version by SI/Power/QE verification and pre-loaded;
How to update images .
There are three ways to update images:
[Usering_RKTool.](./RSB-4810_Debian_User_Guide_wiki_data/1._Using_RKTool_RSB-4810_Debain "1. Using RKTool RSB-4810 Debain".md)
[SD_update image.](./RSB-4810_Debian_User_Guide_wiki_data/2._RSB-4810_Debian_SD_update_image "2. RSB-4810 Debian SD update image".md)
OS_update image.") (TBD)
U-boot update image.")(TBD)
Linux系统的基本使用(Linux System Basic Operating Method)
乙太網路使用方法(Ethernent Testing Method)
Command : ifconfig


WiFi使用方法(WIFI Testing Method)


4G使用方法(4G Testing Method)



蓝牙使用方法(BlueTooth Operating Method)

音訊使用方法(BlueTooth Operating Method)

CAN2.0 測試( CAN Test method)
Note:RK3568 CAN2.0 Errata;
**CAN2.0 Errata:CAN2.0 Errata**提取码:a887
CAN2.0 Patch:Baidu Password:a887
Short CAN1/2 Pin header ,Loopback test for example:
CAN0_D+->CAN1_D+
CAN0_D-->CAN1_D-

输入指令:
# ip link set can0 down
# ip link set can0 type can bitrate 1000000
# ip link set can0 up
# ip -details link show can0
# candump can0 &
# ip link set can1 down
# ip link set can1 type can bitrate 1000000
# ip link set can1 up
# ip -details link show can1
# cansend can1 123#55
can0 123 [1] 55

I2C 測試( I2C Test method)

看門狗測試 (Watch Dog Test method)
UART測試 (UART Test method)
How to Configure RS-232/485 Mode Enter U-boot interrupt mode. Connect the device to the debug port and open the debug console. Press “ctrl + c” before powering on the device.
The following information should be displayed on the debug console:
Hit any key to stop autoboot: 0
=>
=>
Then input the following command to configure the UART mode.
RS-485 Mode:
setenv uart_mode 0x0c
saveenv
reset
RS-232 Mode:
setenv uart_mode 0x00
saveenv
reset
Note: The default value is RS-232. Cp210x supports four ports, but for RSB-4810 only ttyUSB2 and ttyUSB3 support RS-485 mode.
In the above command “setenv uart_mode 0x0c”, 0x0c means set bit2(ttyUSB2) and bit3(ttyUSB3) to 1 (0 means to RS-232; 1 means to RS-485). To configure just ttyUSB2 (or ttyUSB3) to RS-485 mode, change 0x0c to 0x04 (or 0x08).
GPIO測試(GPIO Test method)


Display測試(Display Test method)

[How_to_Config_Multi-Display](./RSB-4810_Debian_User_Guide_wiki_data/How_to_Config_Multi-Display "How to Config Multi-Display".md)




遠程訪問及文件傳輸(Remote Access and File Transimmion)
查看主板IP位址 ( Chech IP Address ):


ID: root password:123456

通用方法(General Method)
QT Toolchain
查看CPU温度(Check CPU Temperature)
cat /sys/devices/virtual/thermal/thermal_zone0/temp 40000
或者直接以度爲單位顯示 echo $[$(cat /sys/class/thermal/thermal_zone0/temp)/1000]° >>> 40°
查看CPU频率(Check CPU Frequency)
cat /sys/devices/system/cpu/cpu0/cpufreq/cpuinfo_cur_freq
>> 1200000
cat /sys/devices/system/cpu/cpu0/cpufreq/cpuinfo_max_freq
>> 1800000
查看内存容量(Check Memory Capacity)
busybox free -m
查看存储容量(Check Storage Capacity)
busybox df -h
調整亮度(Change the backlight)
Note: connect with LVDS Panel , default value is 200
root@linaro-alip:# echo 100 > /sys/class/backlight/backlight/brightness# echo 200 > /sys/class/backlight/backlight/brightness
root@linaro-alip:
root@linaro-alip:~#
root@linaro-alip:# cat /sys/class/backlight/backlight/max_brightness# cat /sys/class/backlight/backlight/brightness
255
root@linaro-alip:
200