ROM-5780_Debian_User_Guide
產品介紹(Product introduction )
產品特性(Product Features)
- Rockchip RK3399 Arm dual Cortex-A72 and quad Cortex-A53 1.8 GHz
- Onboard 2GB LPDDR4 memory and 16GB eMMC
- Support HDMI2.0 4K 60fps, 1x DP, 1x eDP, 1 x LVDS
- Support 4K H.264/H.265 Video decoder
- 2 x USB3.0, 3 x USB2.0,1 x USB2,0 OTG, 3 x UART, 12 x GPIO
- 1 x PCIe2.0, 1 x SATA, 1 x 4-lane MIPI CSI, Gigabit LAN
- Support Debian Linux and Android
產品官網連結(Product official website link)
接口布局和尺寸(Layout and Sizes)
ROM-5780 接口布局圖 Board Dimension Layout

Board Connectors
The board has one switch that allows you to configure your system.

Connector List
Switch
| Position | Description |
| SW1 | UART & Debug Port selection |
| SW2 | AT& ATX mode selection |
SW1: UART & Debug Port Selection
| Setting | Function |
| SW1(2-3) | Normal UART |
| SW1(2-1) | Debug Console (Default) |
SW2: AT/ATX Mode Selection
| Setting | Function |
| SW2(2-3) | AT Mode (Default) |
| SW2(2-1) | ATX Mode |
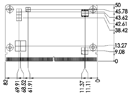
ROM-DB5901 接口布局圖 Board Dimension Layout


主板内置插针式引脚排序方式 (Pin Header defination)
Internal I/O

| Position | Description | Connector Type |
| BAT1 | PIN Header for Battery | WAFER 8P 2.54mm 180D(M) DIP A2543WV2-8P |
| BH1 | RTC Battery Holder | BATTERY HOLDER 24.9*23.4*8.9 CR2032 BH800.4GG |
| CAN1 | CANBus Port 1 | BOX HEADER 5x2P 2.54mm 180D(M) DIP 23N6960-10S10 |
| CAN2 | CANBus Port 2 | BOX HEADER 5x2P 2.54mm 180D(M) DIP 23N6960-10S10 |
| COM1 | COM Port 1 | BOX HEADER 5x2P 2.54mm 180D(M) DIP 23N6960-10S10 |
| COM3 | COM Port 3 (Debug Port) | BOX HEADER 5x2P 2.54mm 180D(M) DIP 23N6960-10S10 |
| CN4 | PCIex1 Connector 1 | PCIEXPRESS 36P 180D(F) DIP 2EG01817-D2D-DF |
| CN5 | PCIex1 Connector 2 | PCIEXPRESS 36P 180D(F) DIP 2EG01817-D2D-DF |
| CN6 | PCIex1 Connector 3 | PCIEXPRESS 36P 180D(F) DIP 2EG01817-D2D-DF |
| CN11 | SATA Connector | Serial ATA 7P 1.27mm 180D(M) DIP WATM-07DBN4A3B8 |
| CN12 | SATA Power Connector | WAFER 4P 2.5mm 180D(M) DIP 24W1161-04S10-01T |
| CN22 | GPIOx8 sets | PIN HEADER 10x2P 2.0mm 180D(M) DIP 21N22050 |
| CN25 | MXM 3.0 Connector | MXM Conn. 314P 90D(F) SMD AS0B821-S78B-7H |
| CN26 | M.2 Key E Slots | NGFF 75P 0.5mm 90D(F) H=4.2mm SMD AS0BC21-S40BE |
| CN38 | FAN (Reserved) | WTB Con. 3P 2.54mm 180D(M) DIP A2543WV0-3P-6T-5e |
| CN39 | MIPI-CSI1 (FPC, 4-Lane | FPC 39P, 0.6mm, H0.9mm |
| CN40 | MIPI-CSI0 (FPC, 2-Lane) | FPC 39P, 0.6mm, H0.9mm |
| CN41 | MIPI-CSI0 (Mini-SAS, 2-Lane) | Mini SAS 36P/0.8mm/(M)/LCP/VA/G15u/ S/BK/W |
| CN42 | MIPI-CSI1 (Mini-SAS, 4-Lane) | Mini SAS 36P/0.8mm/(M)/LCP/VA/G15u/ S/BK/W |
| ESPI_CN1 | ESPI | PIN HEADER 6x2P 2.0mm180D(M) SMD 21N22050-12M00B |
| I2C_GP_1 | I2C Pin Header | WAFER BOX 4P 2.00mm 180D(M) DIP 721-81-04TW00 |
| I2C_CN3 | Audio Codec Board | PIN HEADER 2x10P 2.54mm 180D(M) DIP 21N22564 |
| LVDS0 | LVDS0 | Wafer 2x20P/1.25mm/(M)/NY9T/VA/GFL/ S/WH/W |
| LVDS_BK_PWR | LVDS0 Back Light | WAFER BOX 5P 2.0mm 180D(M) DIP A2001WV2-5P |
| LVDS1 | LVDS1 | Wafer 2x20P/1.25mm/(M)/NY9T/VA/GFL/ S/WH/W |
| LVDS1_BK_PWR | LVDS1 Back Light | WAFER BOX 5P 2.0mm 180D(M) DIP A2001WV2-5P |
| SD1 | SD Card Slot | SD CARD 9P 90D(F) SMD WK2192CS3D- 7H |
| SPI_CN1 | SPI Pin Header | PIN HEADER 4x2P 2.54mm 180D(M) SMD 21N22564 |
| SW2 | Reset Button | TACT SW STS-091 SMD 4P H=3.8mm |
| SW4 | SLP Button | TACT SW STS-091 SMD 4P H=3.8mm |
| SW5 | Power Button | TACT SW STS-091 SMD 4P H=3.8mm |
| USB0_OTG1 | USB OTG | Micro USB 5P/0.65mm/(F)/NY9T/GFL/ RA/S/BK/B |
| USB-4-5 | USB Port 4, Port 5 | PIN HEADER 2x5P 2.0mm 180D(M) SMD 21N22050 |
Rear I/O

| Position | Description | Name |
| DCIN | DC Jack | A |
| CN15A | UART Port 0 | B |
| CN15B | UART Port 2 | C |
| CN1A | DP Port | D |
| CN1B | HDMI Port | E |
| CN33 | Type C Controller Programming Header (Reserved Only) | F |
| CN34 | USB Type C | G |
| CN8 | GbE Ethernet Connector Port | H |
| CN3 | USB Port 1/ 2 | I |
| Audio1 | MIC Input/ Audio Output | J |
**机械尺寸 (**Mechanical Characteristics)
- Dimensions: SMARC form factor size: (D x W) 82 x 50 mm/ 3.22 x 1.9 in
- Height on Top: Under 3.0 mm base on SPEC definition (without heat sink)
- Height on Bottom: Under 1.3 mm base on SPEC definition


快速入门 (Quick Start)
系统下载 (OS Download)
Note: LIV=Yocto Linux, UIV=Ubuntu, DIV=Debian, AIV=Android
LBV=BSP, LIV=Image
| Platform | Product | Image Version | Release Date | Release Version | Release notes | Image Download | BSP Download Tag | Comment |
| RK3399 | ROM-5780 | DIV10034 | 2021/01/22 | MP | Release_note | Baidu Password:a887 Dropbox | RK3399_RISC_DIV10034.xml |
-
Alpha: Basic I/O function bring up by RD;
-
Beta: Basic I/O function、performance and middleware verified by RD. Peripherals integrated;
-
GA: Beta version by QE verification;
-
RTM: Beta version by SI/Power/QE verification and pre-loaded;
DS-100
- [Linux BSP User Guide for rk3399 series Debian9](./ROM-5780_Debian_User_Guide_wiki_data/IoTGateway/BSP/Linux/Linux_BSP_User_Guide_Debian9_for_rk "IoTGateway/BSP/Linux/Linux BSP User Guide Debian9 for rk".md)
- [Linux BSP User Guide for rk3399 series DeviceOn](./ROM-5780_Debian_User_Guide_wiki_data/IoTGateway/BSP/Linux/Linux_BSP_User_Guide_DeviceOn "IoTGateway/BSP/Linux/Linux BSP User Guide DeviceOn".md)
- [Linux BSP User Guide for SGI [DMS-SA53]](./ROM-5780_Debian_User_Guide_wiki_data/IoTGateway/BSP/Linux/Linux_BSP_User_Guide_SGI "IoTGateway/BSP/Linux/Linux BSP User Guide SGI".md)
Linux 燒錄方法 (Linux Flash eMMC Method)
- Linux BSP User Guide for rk3399 series Debian9/Debian10.)
- Getting Start.)
- MAC_Address
- Qt5Creator
- [Qt5Creator_toolchain_Qt_5.11.3](./ROM-5780_Debian_User_Guide_wiki_data/Qt5Creator_toolchain_Qt_5.11.3 "Qt5Creator toolchain Qt 5.11.3".md)
Debug 串口調試 (Debug port Setting)
以 Tera Term 为例介绍如何使用串口调试功能
Baud Rate波特率:115200
Data 数据位:8
Parity 奇偶校验:无
Stop 停止位:1
Flow Control流控:无
Tera Term Tool


Check the Sriel port in Device Manager (查看PC端的串口号):
if you can not identify the Serial device , please check your serial driver.

Debug port connection (串口連接)

Log into Terminal Tool (进入串口调试终端):
Linux系统的基本使用(Linux System Basic Operating Method)
Display Setting (ROM-5780)
乙太網路使用方法(Ethernent Testing Method)
Command : ifconfig
Command: Ping - I eth1 8.8.8.8 or Ping - I eth0 8.8.8.8
WiFi使用方法(WIFI Testing Method)
Command :
# killall wpa_supplicant
# ifconfig wlan0 up
# wpa_passphrase "SSID" "PASSWORD" > /tmp/wpa.conf
# wpa_supplicant -BDwext -iwlan0 -c/tmp/wpa.conf
# udhcpc -b -i wlan0'''
ping 8.8.8.8
PING 8.8.8.8 (8.8.8.8) 56(84) bytes of data.
64 bytes from 8.8.8.8: icmp_seq=1 ttl=54 time=2.10 ms
64 bytes from 8.8.8.8: icmp_seq=2 ttl=54 time=2.10 ms

4G使用方法(4G Testing Method)
Command:
Test 4G: (EWM-C117FL06E - USB)
Step 1: Connect EWM-C117FL06E to Mini PCIE slot on 9680015491 and connect
the card to CN6 PCIe_D slot on ROM-DB5901.
Step 2: Connect the antenna 1750007990-01 to the SMA (F) connector on
9680015491
and connect the IPEX connector to MT1 on EWM-C117FL06E module.
Step 3: Connect the Mini USB cable from 9680015491 to USB 2.0 Type A port on
ROM-DB5901.
Step 4: Power on and execute the pppd command to connect to the network.


串口使用方法(Serial Port Operating Method)
RS-232 Test
SER1_UART2: /dev/ttyLP2: COM1
SER3_UART0: /dev/ttyLP0: COM3
SW6/7 Setting (SW6/7設置)
RS232: 1:on 2:off
RS422: 1:on 2:on
RS485: 1:off 2:on

COM0 (CN15A): UART1 test
Loopback Test (eg. ttyLP1)
UART 1: Change SW7 jumper to switch modes. (1ON 2OFF: RS-232)
UART 1: Change CN27~CN30 jumper to (1-2 short)
# stty -F /dev/ttyLP1 -echo -onlcr 115200
# cat /dev/ttyLP1 &
# echo test > /dev/ttyLP1
蓝牙使用方法(BlueTooth Operating Method)
Command :
$ hciconfig hci0 up
$ bluetoothctl
$ discoverable on
$ pairable on
$ scan on
[NEW] FC:18:3C:8D:75:F4 myphone
$ scan off
$ pair FC:18:3C:8D:75:F4
$ connect FC:18:3C:8D:75:F4

遠程訪問及文件傳輸(Remote Access and File Transimmion)
**查看主板IP位址 ( Chech IP Address ):**
Command : ifconfig
Windows下SSH访问及文件传输
SSH Remote Log into Device
- SSH远程登录,以putty选择putty.exe(或者使用Xshell、SecureCRT等类似软件)
- 需要设置远程设备的IP、通讯端口(默认22)、通讯方式,登录后验证用户名密码



通用方法(General Method)
查看CPU温度(Check CPU Temperature)
/# cat /sys/devices/virtual/thermal/thermal_zone0/temp 44600
# 或者直接以度爲單位顯示 echo $[$(cat /sys/class/thermal/thermal_zone0/temp)/1000]° >>> 45°
查看CPU频率(Check CPU Frequency)
cat /sys/devices/system/cpu/cpu0/cpufreq/cpuinfo_cur_freq
>> 900000
cat /sys/devices/system/cpu/cpu0/cpufreq/cpuinfo_max_freq
>> 1200000
读取DDR频率(Read DDR frequency)
# cat /sys/class/devfreq/dmc/cur_freq
856000000
查看存储容量(Check Storage Capacity)
網路Ping測試(Ping Network Testing)
ping 8.8.8.8
PING 8.8.8.8 (8.8.8.8) 56(84) bytes of data.
64 bytes from 8.8.8.8: icmp_seq=1 ttl=54 time=2.10 ms
64 bytes from 8.8.8.8: icmp_seq=2 ttl=54 time=2.10 ms
設置RTC (RTC Setting)
Linux BSP編譯方法(Linux BSP Compile Method)
Debian 9
如果有驗證上的錯誤 請使用以下的方法
**### repo sync failed with Server certificate verification failed. CAfile: /etc/ssl/certs/ca-certificates.crt CRLfile: none
export GIT_SSL_NO_VERIFY=1
#or
git config --global http.sslverify false
============================================================**